第一章:软件工程师必备的硬件基础
1、软件工程师需要具备的知识

问题一:运维工程师、实施工程师是啥?
运维工程师负责维护和管理系统、网络和应用程序的日常运作,确保其高效、稳定运行。
实施工程师负责软件或系统的部署和配置,确保其在客户环境中正确运行。
问题二:运维工程师、实施工程师做些啥?
运维工程师的工作包括监控系统性能、解决故障、备份数据、升级系统和安全管理。
实施工程师的工作包括安装软件、配置系统、测试功能、培训用户和提供技术支持。
问题三:运维工程师、实施工程师需要具备啥技能?
运维工程师需要掌握系统管理、网络知识、脚本编程、故障排查和安全管理技能。
实施工程师需要具备软件安装和配置、系统集成、用户培训和客户沟通技能。
2、计算机的组成
1、CPU
1)主频
2)CPU缓存(CPU缓存位于CPU与内存之间的临时存储器,其容量比内存小但交换速度快。)


2、Memory
1)外存储器:
2)内存储器:






3、I/O 输入/输出端口





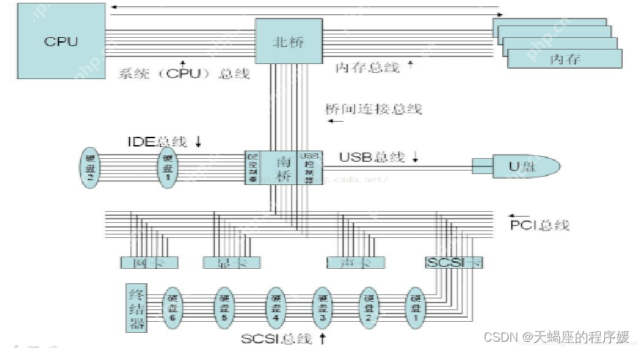
4、BUS 系统总线

5.1、主板

5.2、机箱内部结构

3、操作系统





操作系统分类




4、BIOS的相关知识
BIOS入门-1
进入方式:各个品牌的电脑进入方式各不相同,但通常都在开机时屏幕下方有提示。
代码语言:javascript 代码运行次数:0
Press Esc to enter SETUP Press F2 go to Setup Utility Press DEL to enter EFI BIOS SETUP Press Del run Setup Press F1 run Setup Pressto Setup
总的来说,就del,Esc,F1,F2,F8,F9,F10,F11,F12几个键。

BIOS入门-2

BIOS入门-3

BIOS入门-4


BIOS入门-5


BIOS入门-6:可以通过回车、上下左右键来修改时间和日期。

BIOS入门-7


BIOS入门-8


BIOS入门-9


BIOS入门-10


BIOS入门-11


<< 上一篇
下一篇 >>
网友留言(0 条)